
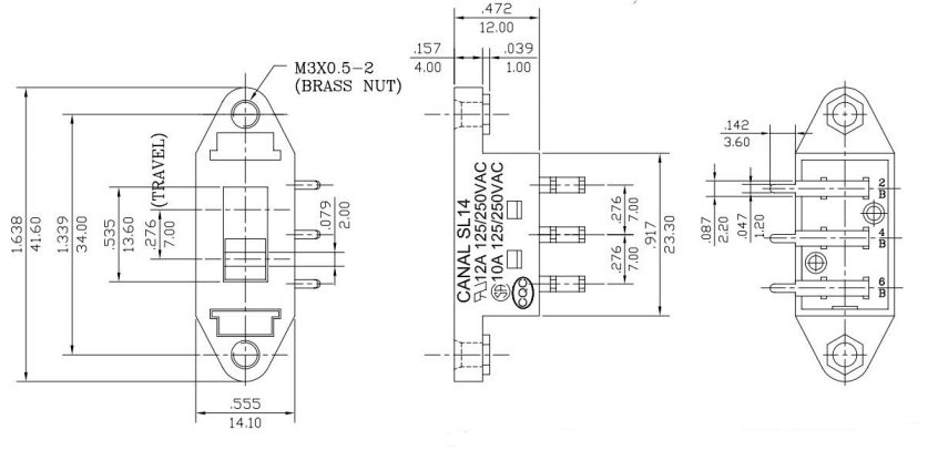
Rated load:10A 250VAC
12A 125VAC
Dielectric Witchstanding voltage:1500VAC For1 Minute
Contact Resistance:50mΩ Max.(initial)
Insulation Resistance:100mΩ Min
Operating Force:r 550±250gl
Operatong Life:60,000 Cycles Min
Solder specifications:260ofor5 seconds
Operating Temerature:-20℃~+85℃
Body and actuator:PA66 or PBT


137-2862-0496